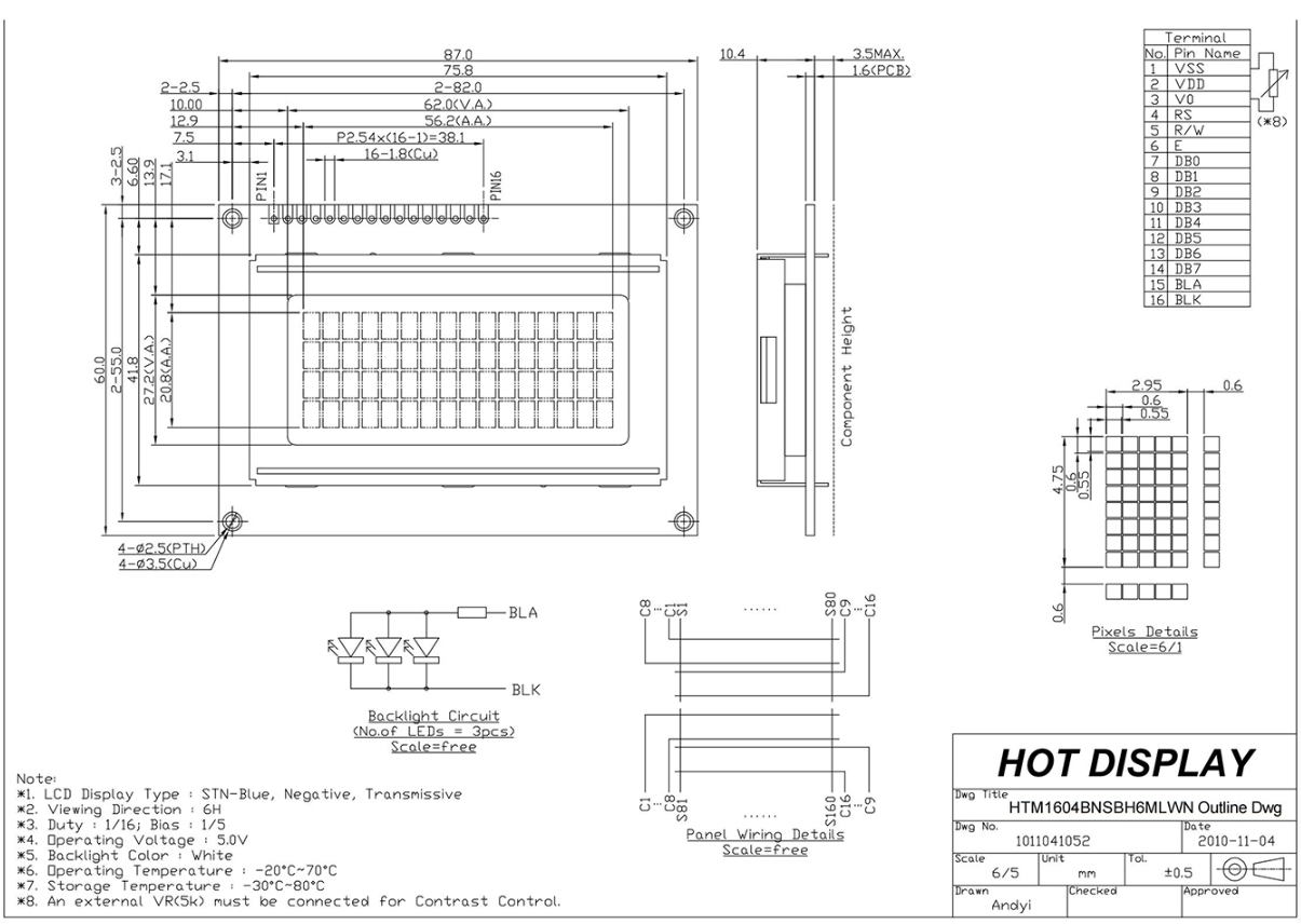
字符LCD模组 |4x16 STN(-) 白色侧背光单色显示屏 | Arduino | MCU接口 | ST7066U控制器| 全透反射| 蓝底白字
这款高品质 16x4 字符 LCD 在开机时会在非常亮的蓝色背景上显示带有白色像素的字符。 该型号的控制器/驱动器是ST7066U。 它的工作电压为 5V,符合 RoHS 标准,确保符合健康和环境标准。 LCD具有-20至70摄氏度的宽工作温度范围,具有STN(-)全透明模式,使其适合各种环境。 该 HoT 显示模块 HTM1604B-25W-A5P 透反式 LCD 显示屏可在环境光或背光下观看,在各种照明条件下提供灵活性。 这款 Arduino 兼容 16 字符 LCD 的最佳视角为 6:00。
| 连接器定制:轻松修改显示器上的任何连接器以满足您的应用程序的要求。 我们的工程师能够对排针、盒装接头、直角接头以及您的显示器可能需要的任何其他连接器进行焊接。 |
| PCB修改:从 PCB 的形状、尺寸、引脚排列和元件布局等多种更改中进行选择,使其完美适合您的应用。 |
| 背光颜色定制:模组背光有多种组合可选不带背光或带黄绿色 / 蓝色 / 白色 / 琥珀色 / 红色 / RGB背光选择达48种效果,可点开定制页面参考。 |
| 字库定制:提供多种字体库,包括英语/日语、西欧、东欧、斯堪的纳维亚欧洲、西里尔语(俄语)、希伯来语/阿拉伯语等。 |
线缆定制:调整电缆的长度、位置和引脚排列或添加其他连接器。 获得经过精确设计的电缆解决方案,使您的连接变得精简且安全。 |
7寸1080x1080 圆形TFT 液晶显示屏MIPI DSI 接口FL5893控制芯片 现已上市!
English
简体中文
日本語
Deutsch
한국어
Русский язык
Español
Français






















































