字符LCD模组 |4x16 STN(+) 白色侧背光单色显示屏 | Arduino | MCU接口 | ST7066U控制器| 半透反射
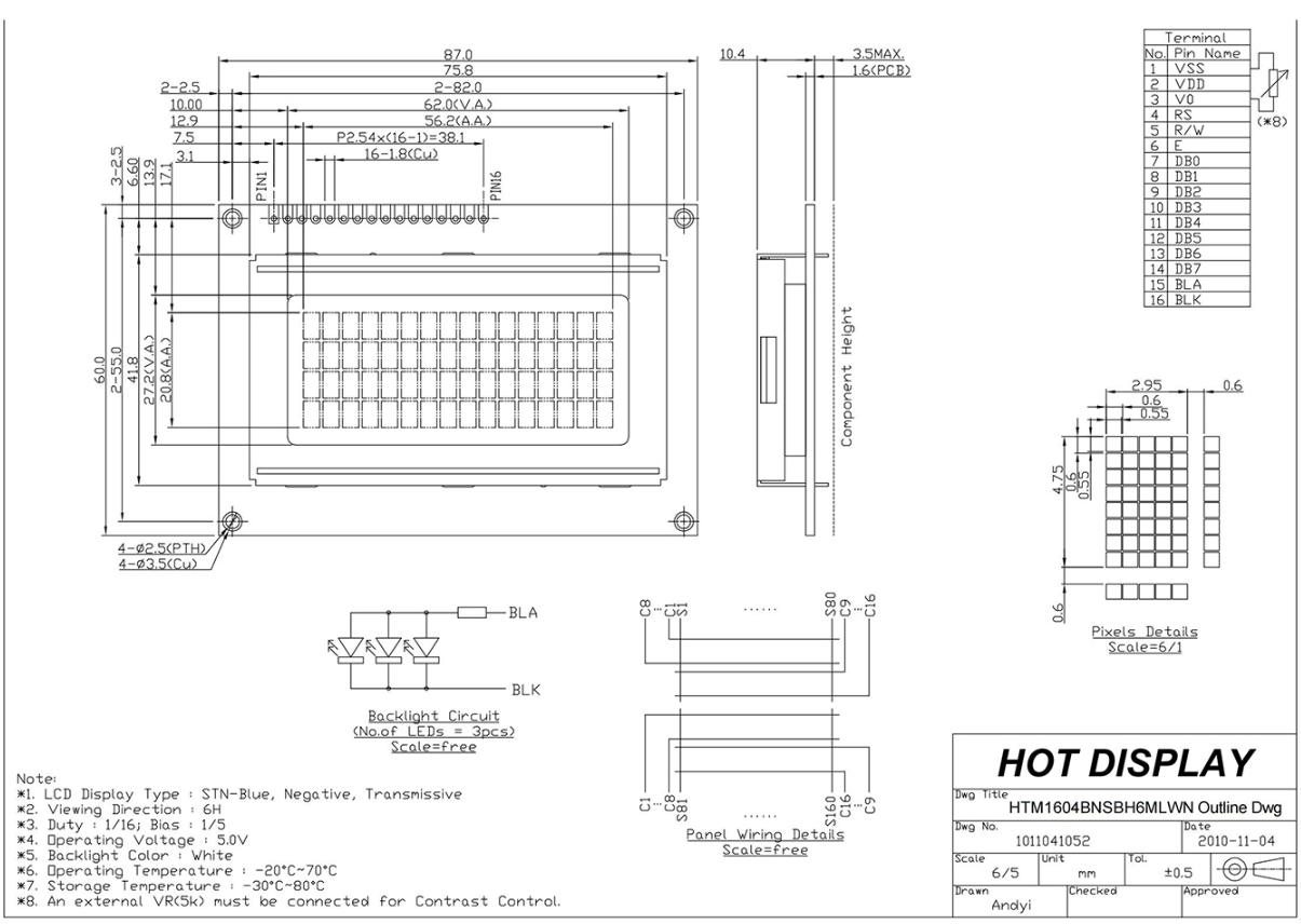
HOT DISPLAY HTM1604B-11W-A5P为16字符宽,4行字符液晶模块,灰色上深蓝色文本,工作温度范围宽,符合 rohs 标准,内置字符集 支持英语、俄语文本,有关完整字符集,请参阅 ST7066U 数据表。 可选择排针连接、5V 或 3.3V 电源以及 arduino 适配器板。
它可以通过8051、ARDUINO、等MCU轻松控制。它可以用于任何嵌入式系统、工业设备、安全、医疗和手持设备。
| 连接器定制:轻松修改显示器上的任何连接器以满足您的应用程序的要求。 我们的工程师能够对排针、盒装接头、直角接头以及您的显示器可能需要的任何其他连接器进行焊接。 |
| PCB修改:从 PCB 的形状、尺寸、引脚排列和元件布局等多种更改中进行选择,使其完美适合您的应用。 |
| 背光颜色定制:模组背光有多种组合可选不带背光或带黄绿色 / 蓝色 / 白色 / 琥珀色 / 红色 / RGB背光选择达48种效果,可点开定制页面参考。 |
| 字库定制:提供多种字体库,包括英语/日语、西欧、东欧、斯堪的纳维亚欧洲、西里尔语(俄语)、希伯来语/阿拉伯语等。 |
线缆定制:调整电缆的长度、位置和引脚排列或添加其他连接器。 获得经过精确设计的电缆解决方案,使您的连接变得精简且安全。 |
7寸1080x1080 圆形TFT 液晶显示屏MIPI DSI 接口FL5893控制芯片 现已上市!
English
简体中文
日本語
Deutsch
한국어
Русский язык
Español
Français






















































